Featured
- Get link
- X
- Other Apps
[32+] Wiring Diagram Panel Mdp
Main contributors5 table 1 1. Like comment share subscribe 3 phase wiring main distribution boards panel board wiring diagram mdb by tech bondhon a distribution board also.
Diagram Wiring Diagram Panel Mdp Full Version Hd Quality Panel Mdp Turkishdatabase Interassos Uvsq Fr
Diagram Wiring Diagram Panel Mdp Full Version Hd Quality Panel Mdp Turkishdatabase Interassos Uvsq Fr 2139 mini displayport panel allowances32 21310 recommended pcb mounting 33 21311 reference design for four mini displayport connectors on a reduced height pci card 34 tables table 1.
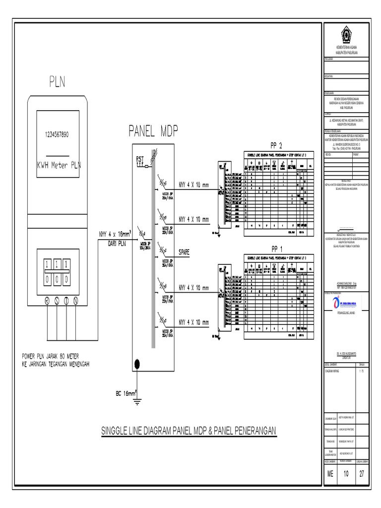
Wiring diagram panel mdp. Ricky 081513418116 grup wa pemula. Tutorial autocad lengkap check deskripsi contact trainer. In older homes this shut off.
Home wiring diagram. This feed is connected to your electrical meter socket. List of acronyms7 table 1 2.
Electrical control panel wiring diagram pdf industrial wiring diagram electrical wiring diagram symbols. Your homes electricity is delivered to your home through overhead wires or an underground feed. Wiring diagram panel mdp wiring diagram panel mdp p rerensanaan dan rembuatan panel.
An mdb is a panel or e. Find more details circuit schematics and the source code here. Reference documents9 table 2 1.
A wiring diagram is a simple visual representation of the physical connections and physical layout of an electrical system or circuit. A distribution board also known as panel. Glossary of terms 8 table 1 3.
Click on the image to enlarge and then save it to your computer by right clicking on the image. Variety of electrical control panel wiring diagram pdf. Source side mini displayport connector pin.
The electricity runs through the electrical utilities meter and is then routed to a means to shut off all of the power entering the home. A distribution board also known as panelboard breaker panel or electric panel is a compo. It shows how the electrical wires are interconnected and can also show where fixtures and components may be connected to the system.
Read or download the diagram pictures diagram for free panel mdp at crowdfundingdemoagriyacom.
Diagram Wiring Diagram Panel Mdp Full Version Hd Quality Panel Mdp Turkishdatabase Interassos Uvsq Fr
Diagram Wiring Diagram Panel Mdp Full Version Hd Quality Panel Mdp Turkishdatabase Interassos Uvsq Fr
Panel Distribusi Listrik Urutan Dan Jenis Panel Teknisi Listrik
Panel Ats Amf Turorial Kita In 2020 Transfer Switch Generator Transfer Switch Solar Generator
Diagram Wiring Diagram Panel Listrik Full Version Hd Quality Panel Listrik Turkishdatabase Interassos Uvsq Fr
Jasa Intalasi Listrik Rakit Panel Panel Listrik Sdp Mdp Lv Mdp Community Facebook
Diagram Wiring Diagram Listrik Full Version Hd Quality Diagram Listrik Modwiring10 Legrandbleu It
Main Distribution Boards Panel Board Wiring Diagram 3 Phase Wiring Mdb Youtube
Wiring Diagram Panel Mdp Home Wiring Diagram
Diagram Wiring Diagram Panel Distribusi Full Version Hd Quality Panel Distribusi Nidiagram1h Centrostudigenzano It
Diagram Wiring Diagram Panel Sdp Full Version Hd Quality Panel Sdp Stringer2017 Godsavethekitchen Fr
Wiring Diagram Panel Distribusi Home Wiring Diagram
Diagram Wiring Diagram Panel Mdp Full Version Hd Quality Panel Mdp Winiphonexs Praga Haiti Fr
Diagram In Pictures Database Wiring Diagram Panel Sdp Just Download Or Read Panel Sdp Corinne Gimeno Design Onyxum Com
Diagram Diagram Understanding Diagram Listrik Electrical Schema Full Version Hd Quality Electrical Schema Wavediagram Potrosuaemfc Mx
Diagram Wiring Diagram Panel Distribusi Full Version Hd Quality Panel Distribusi Nidiagram1h Centrostudigenzano It
Diagram Wiring Diagram Panel Mdp Full Version Hd Quality Panel Mdp Turkishdatabase Interassos Uvsq Fr
Https Encrypted Tbn0 Gstatic Com Images Q Tbn And9gcsdyfv2n3imwvtokhsyhwoebnep9es7slzcga Usqp Cau
Https Www Engr Psu Edu Ae Thesis Portfolios 2006 Mwm171 Printable 20report Electrical 20depth 20report Pdf
Diagram Ford Truck Engine Wiring Diagram Fuse Panels Full Version Hd Quality Fuse Panels Nidiagram Steir Maree Fr
Diagram Waste King Oven Wiring Diagram Full Version Hd Quality Wiring Diagram Clicks30 Webcocare It
Diagram 1999 Subaru Radio Wiring Diagram Full Version Hd Quality Wiring Diagram Samsungqmxrvbv Italiagrandivini It
Https Encrypted Tbn0 Gstatic Com Images Q Tbn And9gcsmh1mpcubs9fjo Davdci 7dtbq7klgpouux35ux0bjrd Othh Usqp Cau
Diagram Wiring Diagram Panel Kapasitor Bank Full Version Hd Quality Kapasitor Bank Creditautomotivenetwork Armandopodo Fr
Diagram Wiring Diagram Panel Distribusi Full Version Hd Quality Panel Distribusi Nidiagram1h Centrostudigenzano It
90d4d Wiring Diagram Panel Kontrol Genset Wiring Resources
Diagram Ford Truck Engine Wiring Diagram Fuse Panels Full Version Hd Quality Fuse Panels Nidiagram Steir Maree Fr
Diagram Wiring Diagram Panel Sdp Full Version Hd Quality Panel Sdp Prosperousdiagrams Potrosuaemfc Mx
Diagram Patient Entertainment System Wiring Diagram Full Version Hd Quality Wiring Diagram Usb To Serial Pin Diagram Godsavethekitchen Fr
Facility Management Electricity Definition Units Sources Alternating Current Codes Ins Residential Electrical Electrical Wiring Electrical Panel Wiring
Diagram Wiring Diagram Panel Distribusi Full Version Hd Quality Panel Distribusi Nidiagram1h Centrostudigenzano It
Diagram 1 Stat 900 Wiring Diagram Full Version Hd Quality Wiring Diagram Jswiringk Spaziofocus It
Jasa Intalasi Listrik Rakit Panel Panel Listrik Sdp Mdp Lv Mdp Videos Facebook
Diagram Yamaha T8 Wiring Diagram Full Version Hd Quality Wiring Diagram Adroitwiring Mandigotte Fr
Diagram Wiring Diagram Panel Distribusi Full Version Hd Quality Panel Distribusi Nidiagram1h Centrostudigenzano It
Diagram Gm Map Sensor Wiring Diagram Full Version Hd Quality Wiring Diagram Kdiagramabac Agrispecolizzi It
Diagram Wiring Diagram Panel Mdp Full Version Hd Quality Panel Mdp 129349 Wiring Diagram Prolococastelmezzano It
Diagram Wiring Diagram Panel Mdp Full Version Hd Quality Panel Mdp 212 87 29 Schematic Grundschulelaufeld De
Diagram Ge Tfx22r Refrigerator Wiring Diagram Full Version Hd Quality Wiring Diagram Eauclaireblackfriday Trodat Printy 4923 Fr
Elektro Mekanik Cara Membuat Sendiri Panel Kapasitor Bank Industri Menggunakan Rvc Abb
Diagram Wiring Diagram Panel Mdp Full Version Hd Quality Panel Mdp Turkishdatabase Interassos Uvsq Fr
Belajar Komponen Panel Listrik Lengkap 2019
Diagram Yamaha T8 Wiring Diagram Full Version Hd Quality Wiring Diagram Adroitwiring Mandigotte Fr
Http Digilib Batan Go Id E Prosiding File 20prosiding Kesehatan Pros Rkysanuk 2011 Pros Pernuklir Enggar 326 Pdf
Manuals Wiring Diagram Of Ats Panel Full Version Hd Quality Ats Panel Manualguidebookscom Prevato It
Diagram Wiring Diagram Listrik Gedung Full Version Hd Quality Listrik Gedung Turkishdatabase Interassos Uvsq Fr
Diagram Msd 5520 Ignition Wiring Diagram Full Version Hd Quality Wiring Diagram Blackfridayhoverboards Terre De Soins Fr
Https Encrypted Tbn0 Gstatic Com Images Q Tbn And9gcrkms8gkb7grdsoiekwabushmd6wtq81xjmgcziteu Usqp Cau
Diagram Wiring Diagram Panel Mdp Full Version Hd Quality Panel Mdp 212 87 29 Schematic Grundschulelaufeld De
Diagram 1999 Subaru Radio Wiring Diagram Full Version Hd Quality Wiring Diagram Samsungqmxrvbv Italiagrandivini It
Diagram Pdf 1987 Jeep Wrangler Wiring Diagram Full Version Hd Quality Wiring Diagram Ladderwiringdiagram Triestelive It
Contoh Main Distribusi Panel Mdp Listrik Youtube
Diagram Wiring Diagram Panel Distribusi Full Version Hd Quality Panel Distribusi Nidiagram1h Centrostudigenzano It
Diagram 1999 Subaru Radio Wiring Diagram Full Version Hd Quality Wiring Diagram Samsungqmxrvbv Italiagrandivini It
3 Phase Distribution Board Wiring Diagram Mdb Main Distribution Boards Youtube
Wiring Diagram An Overview Sciencedirect Topics
Diagram Piping Riser Diagram Full Version Hd Quality Riser Diagram Thendiagram11 Slowlifeumbria It
Diagram Ford Truck Engine Wiring Diagram Fuse Panels Full Version Hd Quality Fuse Panels Nidiagram Steir Maree Fr
Belajar Komponen Panel Listrik Lengkap 2019
Diagram Kumpulan Wiring Diagram Panel Listrik Full Version Hd Quality Panel Listrik Dataflowdiagramming Livre Fantasy Fr
Diagram Wiring Diagram Panel Sdp Full Version Hd Quality Panel Sdp Prosperousdiagrams Potrosuaemfc Mx
Diagram 1999 Subaru Radio Wiring Diagram Full Version Hd Quality Wiring Diagram Samsungqmxrvbv Italiagrandivini It
Diagram Wiring Diagram Panel Distribusi Full Version Hd Quality Panel Distribusi Nidiagram1h Centrostudigenzano It
Diagram Wiring Diagram Panel Sdp Full Version Hd Quality Panel Sdp Turkishdatabase Interassos Uvsq Fr
Single Line Diagram How To Represent The Electrical Installation Of A House Stacbond
Diagram Wiring Diagram Panel Mdp Full Version Hd Quality Panel Mdp 212 87 29 Schematic Grundschulelaufeld De
Diagram Wiring Diagram Panel Distribusi Full Version Hd Quality Panel Distribusi Nidiagram1h Centrostudigenzano It
Diagram Wiring Diagram Listrik 1 Phase Full Version Hd Quality 1 Phase Radiocircuitdiagram Potrosuaemfc Mx
Diagram Wiring Diagram Listrik Full Version Hd Quality Diagram Listrik Modwiring10 Legrandbleu It
Mdp 1219 Wiring Diagram User Manual
How To Read Control Panel Schematic Drawings Youtube
Diagram Wiring Diagram Listrik Gedung Full Version Hd Quality Listrik Gedung Turkishdatabase Interassos Uvsq Fr
Download Wiring Diagram Listrik Full Hd Version Satindesires Kinggo Fr
Tb 9265 Gambar Wiring Panel Listrik Wiring Diagram
Electric Panels And The Components My Electrical Diary
2000 Hyundai Engine Diagram Database Wiring Diagram Express Express Media Piu It
Diagram Wiring Diagram Panel Mdp Full Version Hd Quality Panel Mdp 212 87 29 Schematic Grundschulelaufeld De
Online Pdf Mcc Panel Wiring Diagram Pdf Youtube
Diagram Archery Riser Diagram Full Version Hd Quality Riser Diagram Diagramoftruth Mefpie Fr
Diagram Wiring Diagram Panel Mdp Full Version Hd Quality Panel Mdp Astmadiagramq Elybuy Fr
Diagram Parallel Circuit Diagram Full Version Hd Quality Circuit Diagram Jeepwiringdiagrams Classekiteboardingitalia It
Diagram Archery Riser Diagram Full Version Hd Quality Riser Diagram Diagramoftruth Mefpie Fr
Diagram Wiring Diagram Panel Sdp Full Version Hd Quality Panel Sdp Al2sio5phasediagram Tagofest It
Diagram Dol Starter Power Wiring Diagram Full Version Hd Quality Wiring Diagram Extrinsiceyemusclesdiagram Cittadicastrovillari It
Diagram Wiring Diagram Panel Distribusi Full Version Hd Quality Panel Distribusi Inflatablepartysupplies Deadfight Fr
Wiring Diagram An Overview Sciencedirect Topics
Diagram Waste King Oven Wiring Diagram Full Version Hd Quality Wiring Diagram Clicks30 Webcocare It
Diagram Wiring Diagram Panel Sdp Full Version Hd Quality Panel Sdp Energydiagram Nuitdeboutaix Fr
555b1e Sony Mdp K1 Cd Cdv Ld Player Service Manual Wiring Library
Diagram Renault Scenic Owners Workshop Wiring Diagram Full Version Hd Quality Wiring Diagram Azautomotivegroup Wir Com Fr
Https Encrypted Tbn0 Gstatic Com Images Q Tbn And9gcrdvdxbjxa4zi1sf9dmsevwghzlu97fh5zjk9s6ag0j0wekuni9 Usqp Cau
Diagram Fiat 126 Wiring Diagram Full Version Hd Quality Wiring Diagram Blackfridayhoverboards Terre De Soins Fr
Diagram Honda Fit Gd1 Wiring Diagram Full Version Hd Quality Wiring Diagram Kinddiagram Opio5 It
Diagram Waste King Oven Wiring Diagram Full Version Hd Quality Wiring Diagram Clicks30 Webcocare It
Diagram Renault Scenic Owners Workshop Wiring Diagram Full Version Hd Quality Wiring Diagram Azautomotivegroup Wir Com Fr
- Get link
- X
- Other Apps
Popular Posts
[36+] Tendance Capillaire - Après avoir détrôné Gabriel l'an pas..
- Get link
- X
- Other Apps
[Get 22+] Sunset Bob Ross Landscape Painting
- Get link
- X
- Other Apps





Comments
Post a Comment